Industrial Performance

Prozesstechnologie

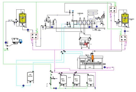
Prozessanlagen für die Aufbereitung von Milchprodukten, Joghurt, Käse, Säften

 

•Milchannahme-Station
•Rohmilchlager-Tanks
•Pasteur
•Separator
•Homogenisator
•Rahmerhitzer
•Mikrofiltration
•Steriltanks für Fertigmilch
•Produktionstank für Joghurt
•CIP/SIP Reinigungsanlage
•Vollautomatisierte Prozess-Steuerung
•Kompressor
•Dampferzeuger
•Eiswasseranlage

 

Fließschema für eine Molkerei

 

 

 

 

 

 

Abfülltechnik für Weichpackungen, Flaschen und Becher

Abfülltechnologie für

 

  • Milch & milchähnliche Produkte
  • Fruchtsäfte & Smoothies 
  • Trockenprodukte in Giebeldachverpackungen
  • Leistungsbereiche
    • von 1.500 – 12.000 Kartons/Stunde
    • bis zu 20.000 Flaschen/Stunde
    • von 500 - ca. 10.000 Becher/Stunde
  • Neu- und Gebrauchtanlagen

 

 

Verpackungstechnik

Verpackungstechnik für Lebensmittel & Getränke 
 
•Top-Load & Kartonierung

  Endverpackung in Tray, Wrap-Around, Umkarton

Automatisierung
•Becher / Brick- und Giebeldachkartons /      
  Faltschachteln
•Palettierung
  Verpackungssonderlösungen

 

 

Vom Tank bis zur Palette -

hier einmal "Bio" bitte